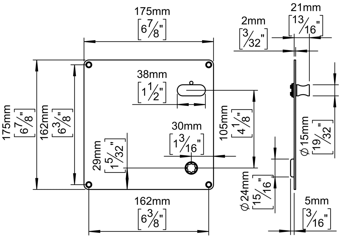
SCHILD VE5V90 LS 175X175X2 M. KUGELLAGER (14367502470)

Knud Holscher Kollektion, Rückenplatte VE5V90, LH, 175x175x2mm, mit Kugellager. Hergestellt aus hochwertigem, rostfreiem Edelstahl AISI 316, der vor starker Korrosion schützt. 20 Jahre Garantie.

mehr erfahren
Meesenburg Artikelnummer: 0009247072
Meesenburg Artikelbezeichnung: SCHILD VE5V90 LS 175X175X2 M. KUGELLAGER (14367502470)
Hersteller Artikelnr.: 14367502470
Verkaufseinheit
x
Anzahl:
=
Stück
Online Verfügbarkeit
Standort Verfügbarkeit
Verfügbarkeitsabfrage und Standortinformationen. Click & Collect ist aktuell noch nicht verfügbar.
Preise nur für Meesenburg Kunden
Produkteigenschaften
Downloads
Produkteigenschaften

Beschreibung

Knud Holscher Kollektion, Rückenplatte VE5V90, LH, 175x175x2mm, mit Kugellager. Hergestellt aus hochwertigem, rostfreiem Edelstahl AISI 316, der vor starker Korrosion schützt. 20 Jahre Garantie.
Produkteigenschaften
Marke
dline
Downloads
Downloads

Kontaktinformation des Herstellers

dline A/S
Jyllingevej 59, kld
2720 Copenhagen
Denmark
Tel: +45 72 17 01 38
Mail: service@dline.com
chevron-left rechnung-logo AlertBrowse fileDownload fileFileImagePdfPdfWordTextExcelPowerpointArchiveCsvAudioVideoSpinnerCalendarSort NoneSort ASCSort DESCReturn arrowVisibleVisibleHelmetSkrewWorker