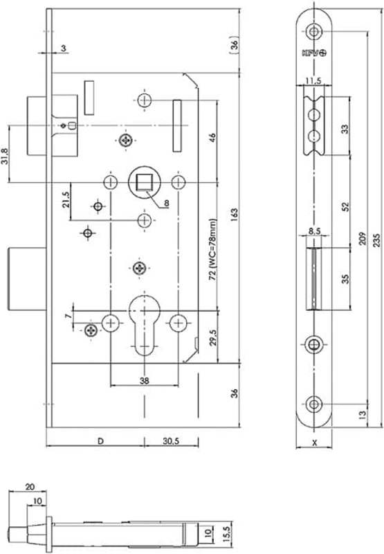
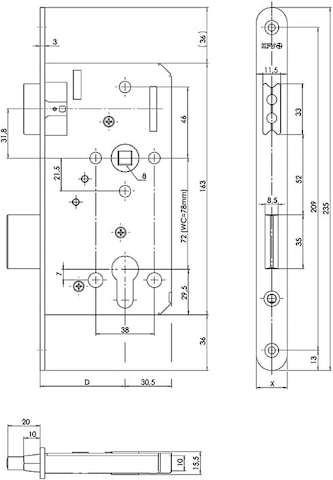
65-MITTIG-18-ABGER. NIROSTA MATT GEB.
mehr erfahren
Magnetfalle