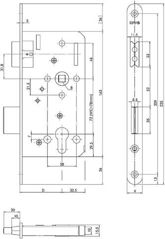
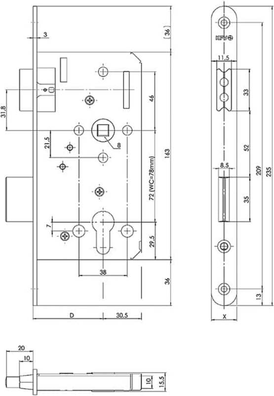
65-MITTIG-20-ABGER. NIROSTA WEISS LACKIERT RAL 9016.
mehr erfahren
Magnetfalle