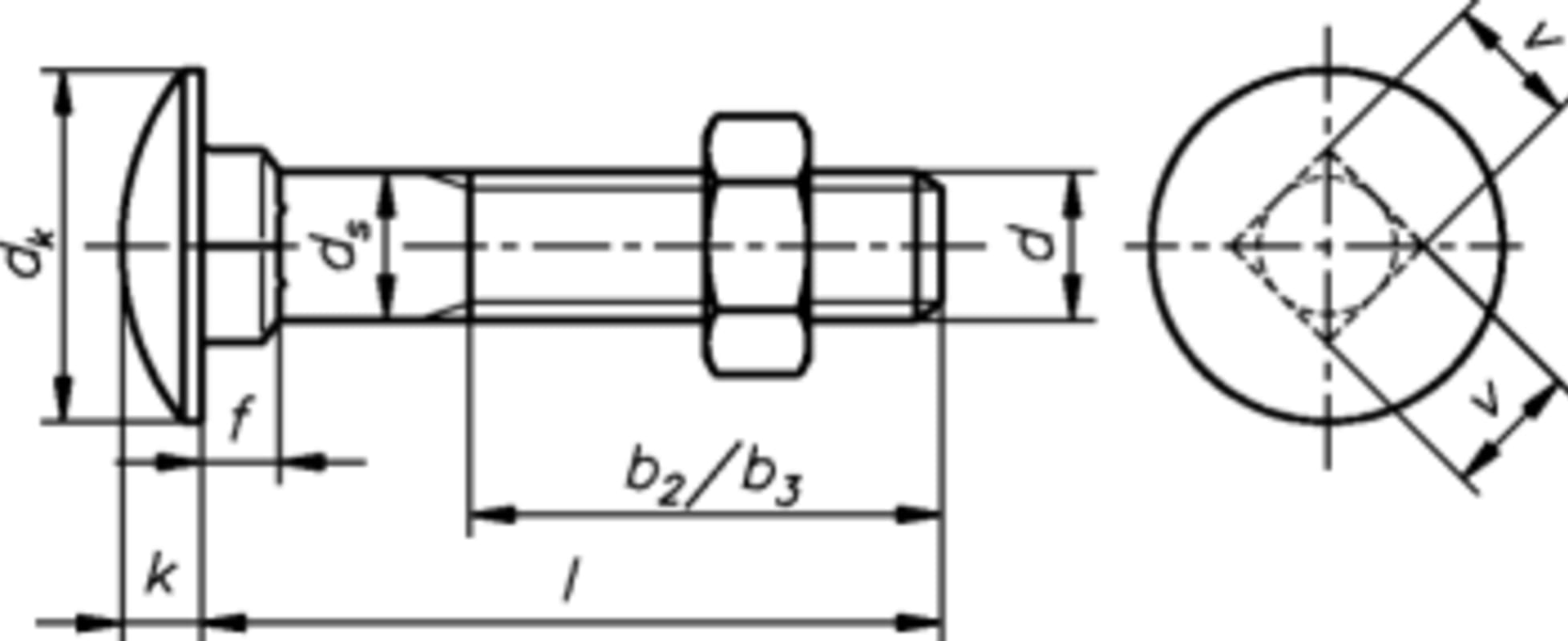
SCHLOSSSCHRAUBEN 8,0 X 25 MM VZ DIN 603
mehr erfahren
Stahl
DIN 603