Versand zum Jahreswechsel:  Letzter Versandtag am 19.12.2025, erster Versandtag am 05.01.2026.   Mehr erfahren!

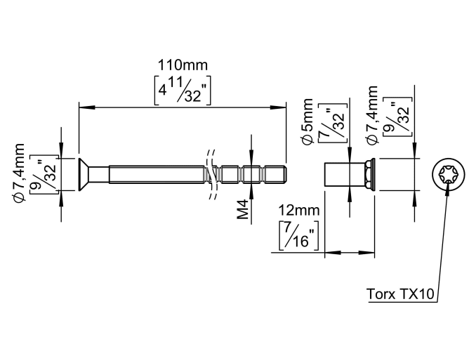
SCHRAUBE (GETEILT) M4X110 M. DREHSTOPP M. BUCHSE RAL9005 (142961R1107)

mehr erfahren
Meesenburg Artikelnummer: 0009249147
Meesenburg Artikelbezeichnung: SCHRAUBE (GETEILT) M4X110 M. DREHSTOPP M. BUCHSE RAL9005 (142961R1107)
Hersteller Artikelnr.: 142961R1107
Verkaufseinheit
x
Anzahl:
=
Stück
Online Verfügbarkeit
Standort Verfügbarkeit
Verfügbarkeitsabfrage und Standortinformationen. Click & Collect ist aktuell noch nicht verfügbar.
Preise nur für Meesenburg Kunden
Produkteigenschaften
Downloads
Produkteigenschaften

Beschreibung

Produkteigenschaften
Marke
dline
Downloads
Downloads

Kontaktinformation des Herstellers

dline A/S
Jyllingevej 59, kld
2720 Copenhagen
Denmark
Tel: +45 72 17 01 38
Mail: service@dline.com
chevron-left rechnung-logo AlertBrowse fileDownload fileFileImagePdfPdfWordTextExcelPowerpointArchiveCsvAudioVideoSpinnerCalendarSort NoneSort ASCSort DESCReturn arrowVisibleVisibleHelmetSkrewWorker