Wilka Profilzylinder 1463 mit Not und Gefahrenfunktion

Doppelzylinder mit Not- und GefahrenfunktionFunktion:Bei verdreht steckendem Schlüssel kann von der Gegenseite mit passendem Schlüssel geöffnet werden.

mehr erfahren
Meesenburg Artikelnummer: 0000270340
Meesenburg Artikelbezeichnung: SERVICEZYLINDER Z 1463 M. GEF.-EINR. BL 30/80
Hersteller Artikelnr.: 1463.003340
EAN: 4017813127448
Verkaufseinheit
x
Anzahl:
=
Stück
Online Verfügbarkeit
Standort Verfügbarkeit
Verfügbarkeitsabfrage und Standortinformationen. Click & Collect ist aktuell noch nicht verfügbar.
Preise nur für Meesenburg Kunden
Produkteigenschaften
Downloads
Produkteigenschaften

Beschreibung

Doppelzylinder mit Not- und Gefahrenfunktion

Funktion:

Bei verdreht steckendem Schlüssel kann von der Gegenseite mit passendem Schlüssel geöffnet werden.

Produkteigenschaften
Produkteigenschaften
  • Zylinder nach DIN 18252 und DIN EN 1303
  • 6 Stiftzuhaltungen (ab 30 mm)
  • 5 Stiftzuhaltungen bei Kurzzylindern (26,5 mm) bzw. asymmetrischen Zylindern
  • Spezial-Hantelstifte als Pickingwiderstand
  • Kernstifte aus verschleißfestem Neusilber
  • 1 Gehäusestift aus gehärtetem Stahl als Anbohrschutz
  • Federn aus Edelstahl rostfrei
  • Sinterstahl-Schließbart
  • Balliger Zylinderkern für exakte Schlüsselführung
  • Messing matt vernickelt
  • 3 Schlüssel
  • Zylinderbefestigungsschraube M5
  • Neues Schlüsseldesign zur Verwendung mit gängigen Sicherheitsbeschlägen
  • Codierung des Schlüssels
Oberfläche
matt vernickelt
Zylindertyp
Servicezylinder
Material

Messing

Umweltzeichen

EPD

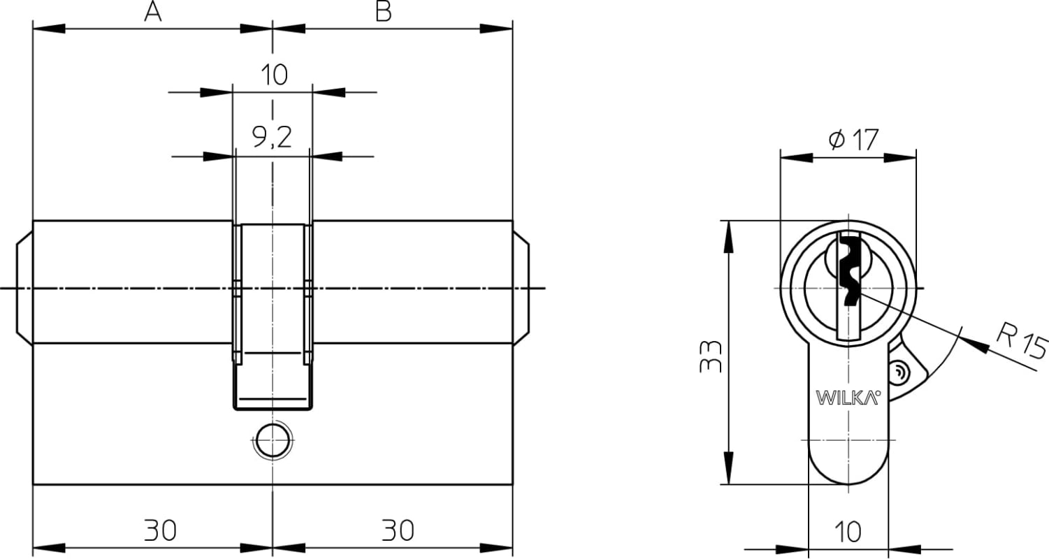
Länge A
30 mm
Länge B
80 mm
Marke
WILKA
Herstellerfarbe
Messing
Basisfarbe

silber

Downloads
Downloads

Kontaktinformation des Herstellers

WILKA Schließtechnik GmbH
Mettmanner Str. 58 – 64
42549 Velbert
deutschland
Tel:+ 49 205120810
E-Mail: info@wilka.de
chevron-left rechnung-logo AlertBrowse fileDownload fileFileImagePdfPdfWordTextExcelPowerpointArchiveCsvAudioVideoSpinnerCalendarSort NoneSort ASCSort DESCReturn arrowVisibleVisibleHelmetSkrewWorker