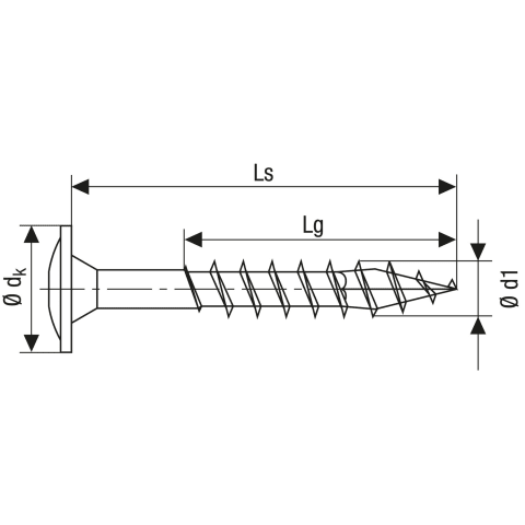
Holzbauschraube, Teilgewinde, Tellerkopf, T-STAR plus, 4CUT, WIROX Produktvorteile: • Deutlich reduziertes Einschraubdrehmoment und verringerte Spaltwirkung • Einsatz: Holzbau • Höhere Kopfdurchzugsk
mehr erfahren
Kohlenstoffstahl