+49 (0) 461 5808-2000
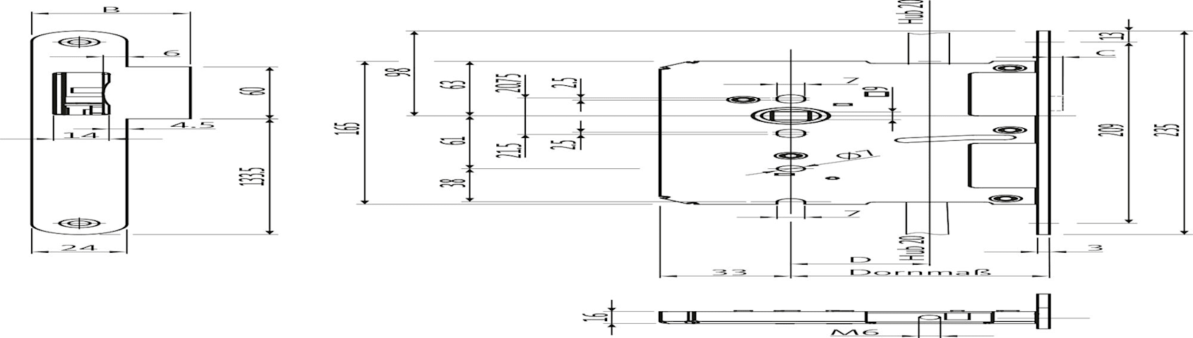
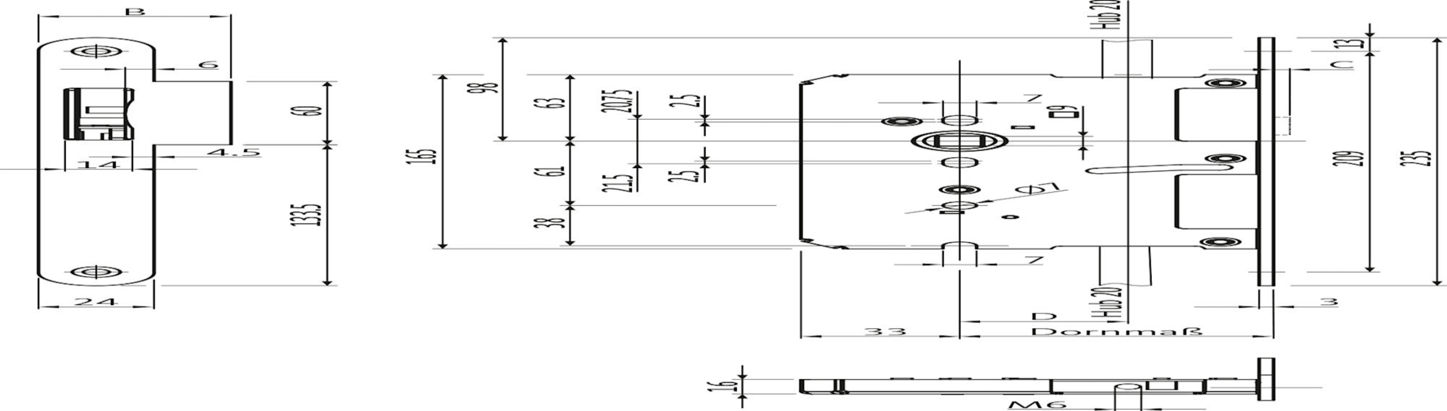
BKS Panik-Treibriegelschloss B 2190; Produkttyp: Panik-Treibriegelschloss; Produkttyp (Hersteller): Panik-Treibriegelschloss; Verriegelung: selbstverriegelnd (automatisch); Entriegelung: manuell; Stul