+ 200.000 Produkte
starke Eigenmarken
fachliche Beratung
für Profis
+49 (0) 461 5808-2000
Sortiment
Aktionen %
Marken & Kataloge
Service
Topseller
Standorte
Karriere
Nachhaltigkeit
Anmelden
Warenkorb
Türtechnik & Tortechnik
Automatische Schiebetürbeschläge
Tür & Tor Beleuchtung
Türschwelle & Torschwelle
Tür Briefkästen & Klingeln
Drehtürantriebe & Zubehör
Elektrischer Türöffner
Fluchttürsysteme und Rettungswegtechnik
Profilzylinder & Schließzylinder
Schlosstechnik
Sichtbeschläge für Türen
Türbänder
Türdichtung
Türschließer
Unterbauprofile & Rahmenverbreiterung für Türen
Bauelemente aus Holz für Tür- und Torherstellung
Bauelemente aus Stahl für Türen und Tore
Produktionszubehör
Bohrer, Bits
Hohlkammerverschluss
Klebebänder
Klebeband für Türfüllungen
Kleber
Leim
Industriereiniger
Schrauben
Schweißeckverbinder
Technische Sprays & Pflegemittel
Verglasung
Vorlegeband
Fenster
Fenster Absturzsicherung
Fensterbeschläge
Bodenschwellen für Fenster
Fensterautomation
Fensterdichtung
Fenstergriffe
Fensterlüfter & Lüftungslösungen
Oberlichtsysteme
Fensterzusatzprofil
Regenschutzschienen & Zubehör
Unterbauprofile
Werkzeug & Arbeitsmittel
Arbeitsplatzausstattung
Arbeitsschutz & Berufsbekleidung
Werkzeuge und Ausstattungen für Außenanlagen
Befestigungstechnik & Verbindungstechnik
Büroausstattung
Elektrowerkzeuge
Handwerkzeuge
Lagerausstattung & Logistiksysteme
Montagetechnik ,Befestigungstechnik und Materialbearbeitung
Schleifmittel & Oberflächenbearbeitung
Schweißtechnik und Löttechnik: Geräte & Zubehör
Steigtechnik:Arbeitsplattformen, Leitern & Höhenzugang
Möbel
Ausstattungen für Bäder & Hauswirtschaftsräume
Auszugsführungen
Büromöbeltechnik: Schließsysteme & Schreibtischcontainer
Büromöbeltechnik: Auszüge, Schließsysteme & Zubehör
Büroausstattung: Schallschutzelemente & Schallschutzelemente
Elektronische Schließsysteme
Klappenbeschläge
Küchenschrankaustattung: Auszüge , Beschläge & Abfallsysteme
LED-Lichttechnik für Möbel
Mechanische Möbelschließsysteme
Profile & Zubehör für Regale, Vitrinen und Tresen aus Aluminium
Möbelscharniere & Möbelbänder
Möbelunterbausysteme
Regalsysteme für Raumausstattung
Schiebe- & Falttürsysteme
Schrankinnenausstattung
Schubkastensysteme
Spülen, Becken & Armaturen
Kabelmanagement & Stromlösungen für Möbeltechnik
Verarbeitungstechnik :Bohr- und Montagesysteme
Möbel Verbindungstechnik
Möbel Zierbeschläge
Zuhaltetechnik
Oberfläche
Beschichtung Außen 1 K Lacke
Beschichtung Außen 2 K Lacke
Beschichtung Innen 1 K Lacke
Beschichtung Innen 2 K Lacke
Holzbeizen
Lasuren
Pflegeöle & Wachse für Holzoberflächen
Parkettsysteme & Fußbodensysteme
Speziallacke
Reinigungs- & Verdünnungsmittel für Oberflächentechnik
Zusatz-, Vorbehandlungs- & Reparaturprodukte
Sicherheit
Alarmtechnik
Fensterzubehör für Sicherheit & Schutz
Türsicherheit & Sicherheitsbeschläge
Smarthome-Sicherheitslösungen für Fenster & Türen
sonstige Sicherheitssysteme & Zubehör
Tresor & Schlüsselschränke
Videotechnik für Sicherheitslösungen
Schließanlagen - Intelligente Lösungen für Ihre Sicherheit
Montage
Folien, Bänder & Dichtlösungen
Befestigung für Bauelemente
Dämmprodukte für Fenster & Wand
Fensterbänke
Montagekleber: PU, MS-Polymer & Epoxid
Reinigungsprodukte für Montage & Bauelemente
Bau- & Montagebefestigungen
Montagezubehör & Bearbeitungsgeräte
Dachbau & Holzbau Zubehör
Erneuerbare Energien
Photovoltaik Solarmodule & Zubehör
Wärmepumpen & Zubehör für Erneuerbare Energien
Barcode scannen
Bild hochladen
Scannen beenden
Neuer Scan / Upload
Startseite
Türtechnik & Tortechnik
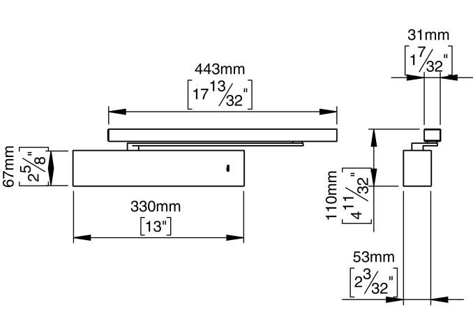
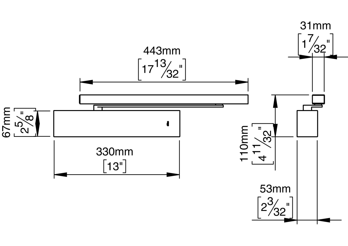
TÜRSCHLIEßER TS92 G EN1-4 CAM-ACTION (14539402004)
Aktion %
TÜRSCHLIEßER TS92 G EN1-4 CAM-ACTION (14539402004)
mehr erfahren
Meesenburg Artikelnummer:
0009250037
Meesenburg Artikelbezeichnung:
TÜRSCHLIEßER TS92 G EN1-4 CAM-ACTION (14539402004)
Hersteller Artikelnr.:
14539402004
Verkaufseinheit
Wert auswählen
Stück (1,00 Stück)
x
Neuer Preis:
Anzahl:
=
Ihre gewählte Anzahl liegt zwischen 2 Basiseinheiten (
)
Minimale Mengenanforderungen für das Produkt sind nicht erfüllt
Maximale Mengenanforderungen für das Produkt sind nicht erfüllt
Was würden Sie gerne hinzufügen? :
Stück
Online Verfügbarkeit
Standort Verfügbarkeit
Standortverfügbarkeit prüfen
Verfügbarkeitsabfrage und Standortinformationen. Click & Collect ist aktuell noch nicht verfügbar.
Ihre gewählte Anzahl liegt zwischen 2 basis Einheiten (
)
Mindestmengenanforderungen für das Produkt sind nicht erfüllt
Maximale Mengenanforderungen für das Produkt sind nicht erfüllt
Mengenintervallanforderungen für das Produkt sind nicht erfüllt
Möchten Sie hinzufügen:
Preise nur für Meesenburg Kunden
Jetzt anmelden um zu bestellen!
Produkteigenschaften
Downloads
Produkteigenschaften
Beschreibung
Produkteigenschaften
Marke
dline
Downloads
Downloads
technisches Datenblatt_1
Kontaktinformation des Herstellers
dline A/S
Jyllingevej 59, kld
2720 Copenhagen
Denmark
Tel: +45 72 17 01 38
Mail: service@dline.com
chevron-left
Alert
Browse file
Download file
File
Image
Pdf
Pdf
Word
Text
Excel
Powerpoint
Archive
Csv
Audio
Video
Spinner
Calendar
Sort None
Sort ASC
Sort DESC
Return arrow
Visible
Visible
Helmet
Skrew
Worker