+49 (0) 461 5808-2000
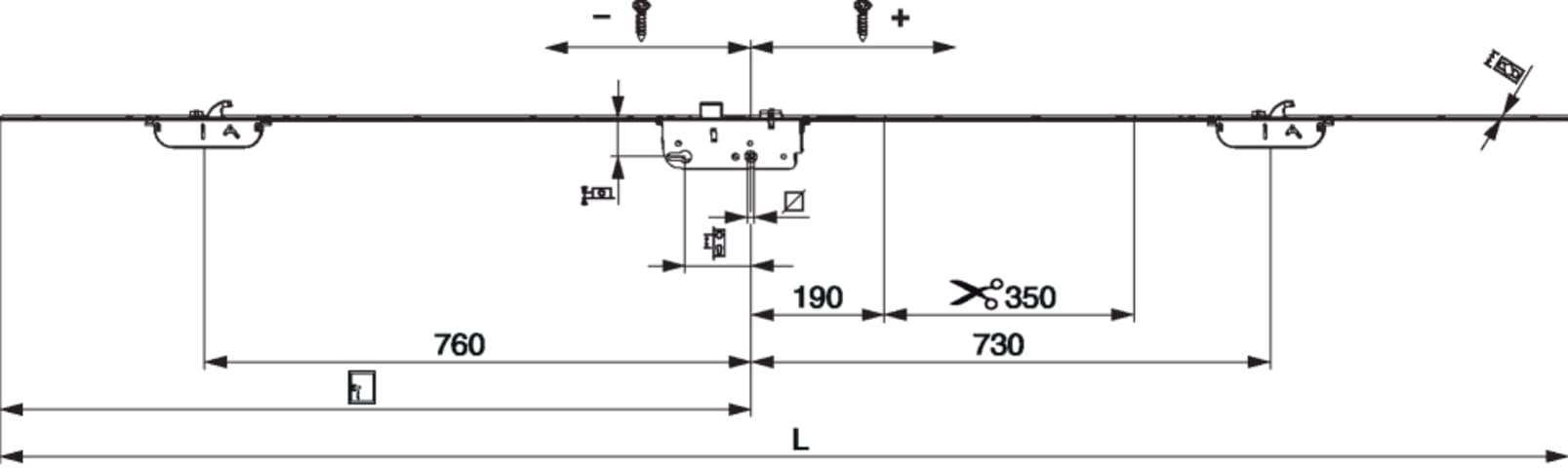
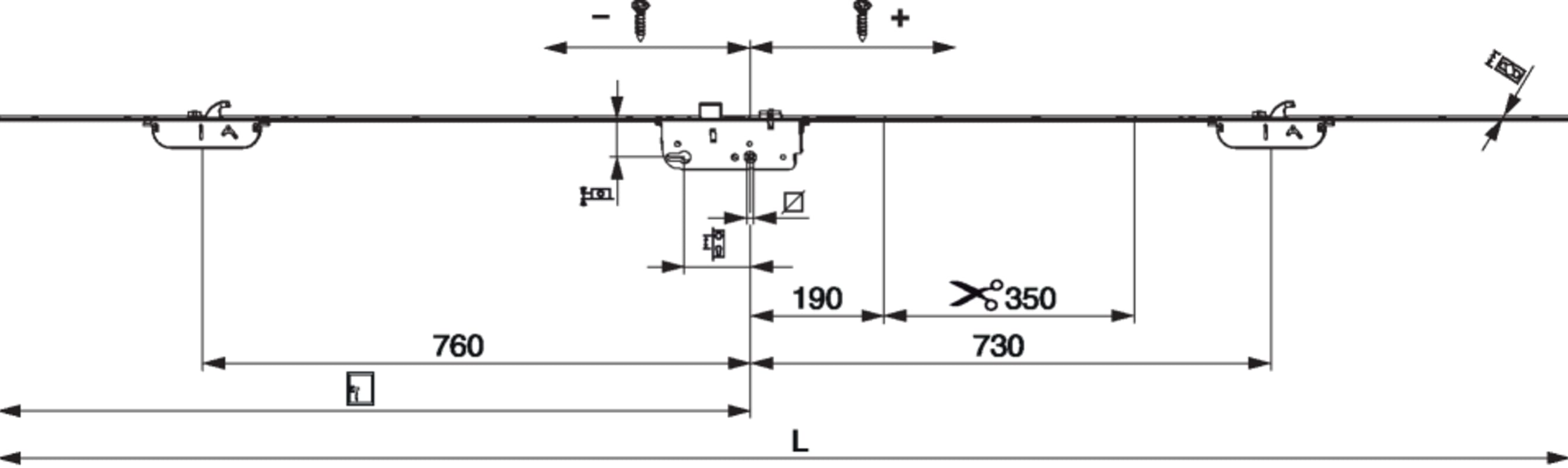
Türschloss A-TS E92 DM45 PZ 2 MF-HO GM 1.020 silber VK10 F-2.200x20 modular PT-M