+49 (0) 461 5808-2000
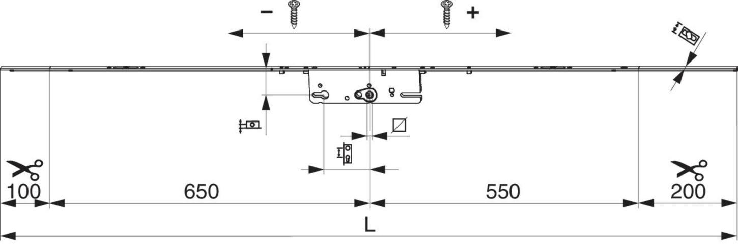
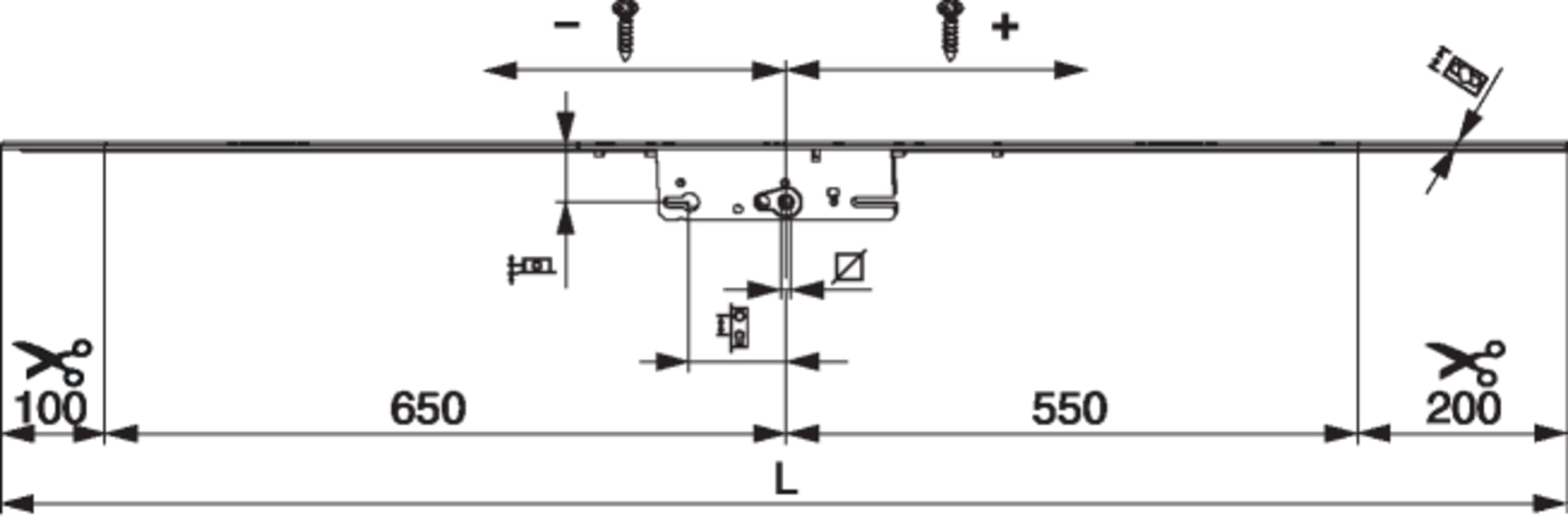
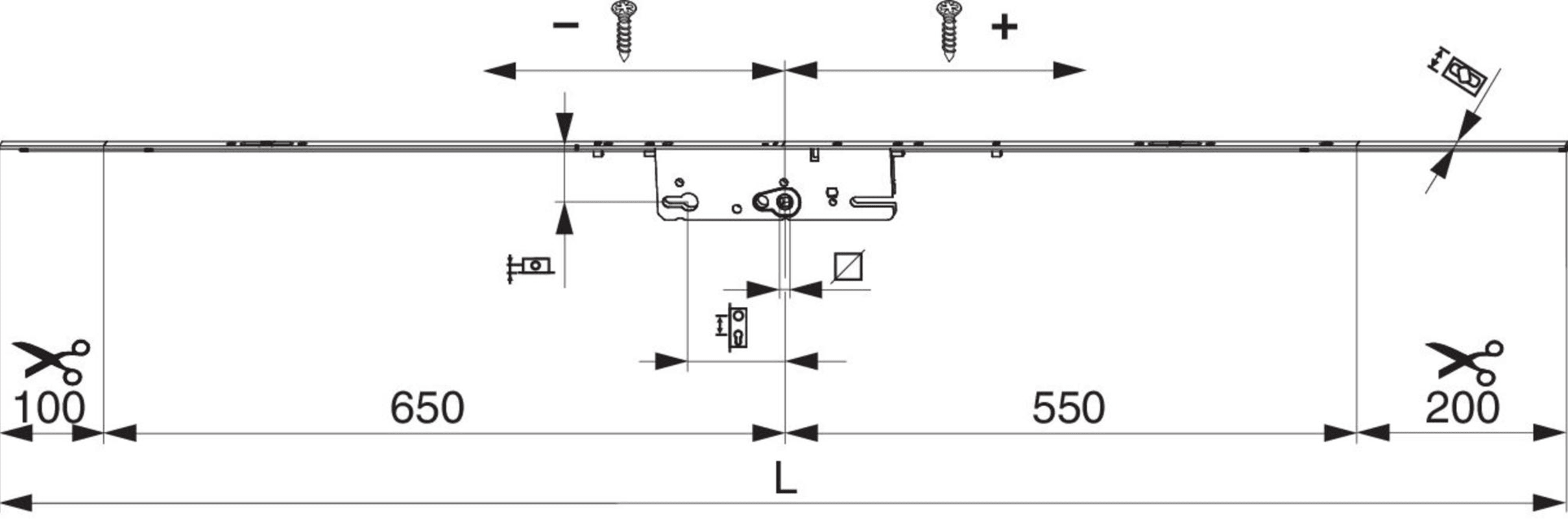
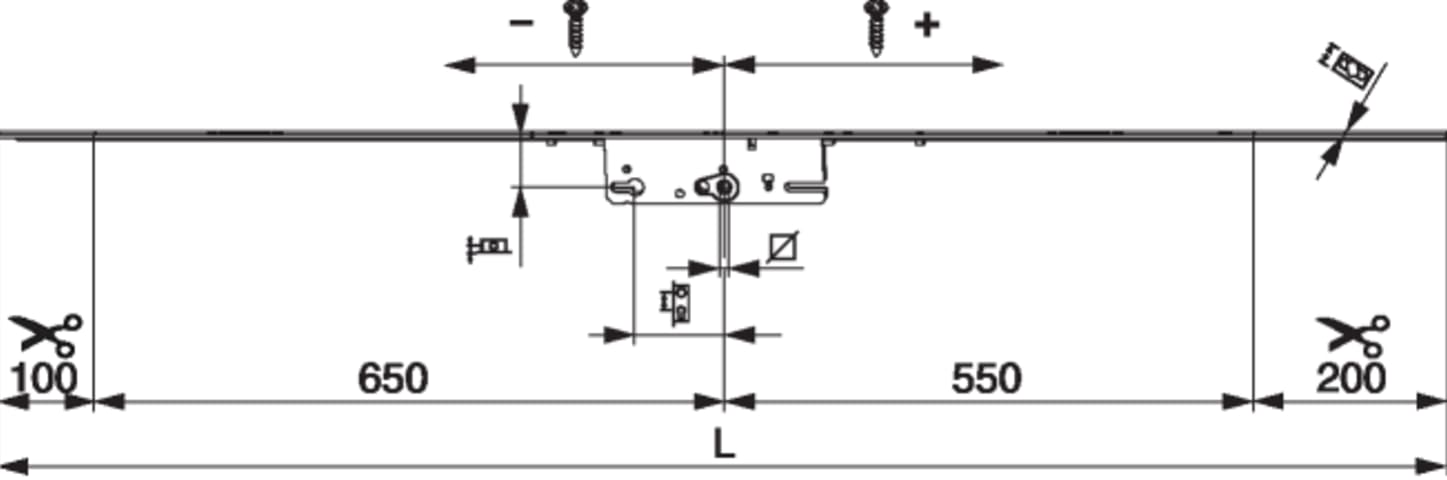
Türschloss G-TS E92 DM35 PZ ohne i.S. Zapfen GM 1.050 silber VK8 F-1.500x16 2-flg. PT