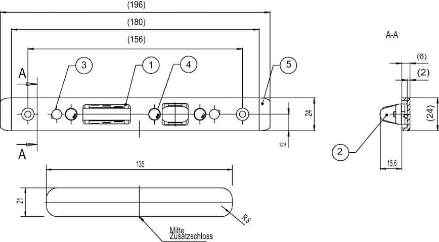
U-Profil-Schließblech 3625-06-24/41---SKG 2

NIROSTA MATT GEB. MIT PRAEGE SKG 2

mehr erfahren
Meesenburg Artikelnummer: 0009236860
Meesenburg Artikelbezeichnung: U-PROFIL-SCHLIEßBL 3625-06-24/41---SKG 2 NIRO (3385579)
Hersteller Artikelnr.: 3385579
Verkaufseinheit
x
Anzahl:
=
Stück
Online Verfügbarkeit
Standort Verfügbarkeit
Verfügbarkeitsabfrage und Standortinformationen. Click & Collect ist aktuell noch nicht verfügbar.
Preise nur für Meesenburg Kunden
Produkteigenschaften
Produkteigenschaften

Beschreibung

NIROSTA MATT GEB. MIT PRAEGE SKG 2
Produkteigenschaften
Richtung
links/rechts
Marke
KFV

Kontaktinformation des Herstellers

KFV Karl Fliether GmbH & Co. KG
Siemensstraße 10
42551 Velbert
Deutschland
Tel.: +49 20512780
Fax: +49 2051278167
E-Mail: info@kfv.de
chevron-leftAlertBrowse fileDownload fileFileImagePdfPdfWordTextExcelPowerpointArchiveCsvAudioVideoSpinnerCalendarSort NoneSort ASCSort DESCReturn arrowVisibleVisibleHelmetSkrewWorker