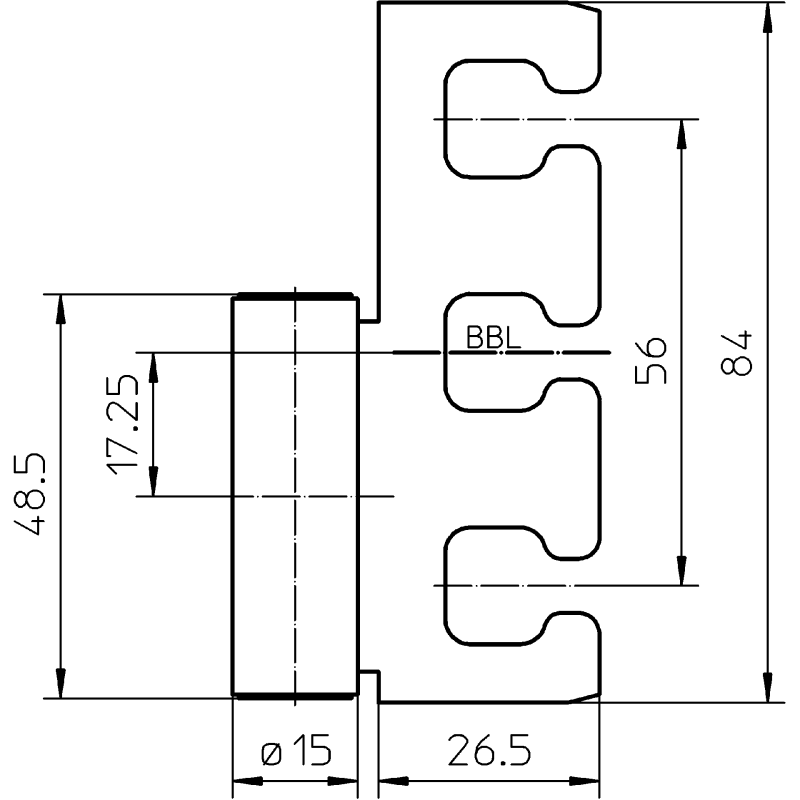
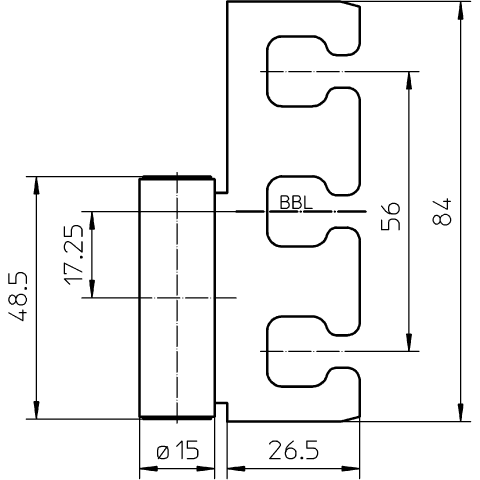
Rahmenteil für gefälzte und ungefälzte Türen mit Aufnahmeelement VARIANT VX
mehr erfahren
Stahl
EPD