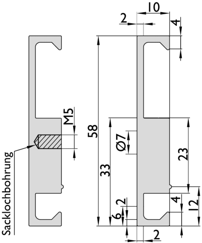
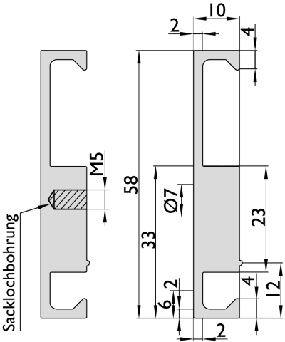
Wandabstandsprofil 10 mm, für Klemmbeschlag 9170 / 58 mm hoch, Profillänge 2400 mm, Oberfl. F1 (Silberfarben eloxiert)
mehr erfahren
silber