WC-SCHLOSS 60 78/8 QUADR STARKE FEDER M. SCHLIEßBL (14921302600)

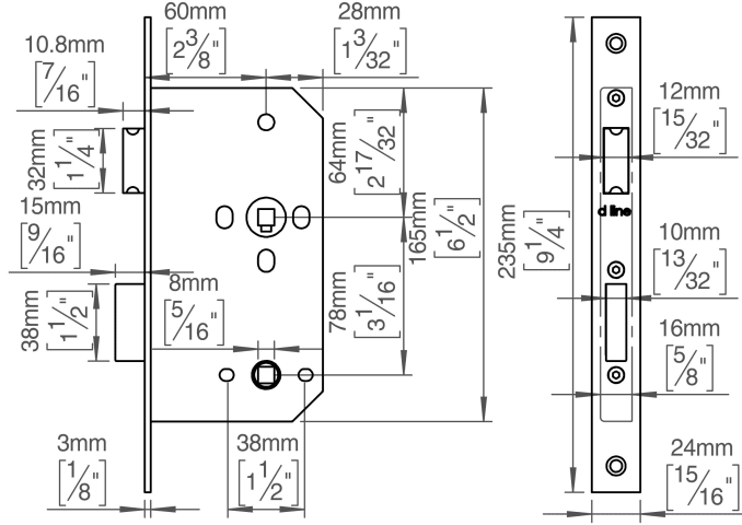
Knud Holscher Kollektion, WC-Schloss, 60 mm, 78/8 mm, Vierkantstulp. Gefertigt aus hochwertigem, rostfreiem Edelstahl AISI 316, der vor starker Korrosion schützt. Zertifiziert nach EN 12209Feuergeprüf

mehr erfahren
Meesenburg Artikelnummer: 0009248089
Meesenburg Artikelbezeichnung: WC-SCHLOSS 60 78/8 QUADR STARKE FEDER M. SCHLIEßBL (14921302600)
Hersteller Artikelnr.: 14921302600
Verkaufseinheit
x
Anzahl:
=
Stück
Online Verfügbarkeit
Standort Verfügbarkeit
Verfügbarkeitsabfrage und Standortinformationen. Click & Collect ist aktuell noch nicht verfügbar.
Preise nur für Meesenburg Kunden
Produkteigenschaften
Downloads
Produkteigenschaften

Beschreibung

Knud Holscher Kollektion, WC-Schloss, 60 mm, 78/8 mm, Vierkantstulp. Gefertigt aus hochwertigem, rostfreiem Edelstahl AISI 316, der vor starker Korrosion schützt. Zertifiziert nach EN 12209Feuergeprüft nach EN 1634. 20 Jahre Garantie.
Produkteigenschaften
Vierkant
8 mm
Entfernung
78 mm
Drückernuss Vierkant
8 mm
Dornmaß
60 mm
Marke
dline
Downloads
Downloads

Kontaktinformation des Herstellers

dline A/S
Jyllingevej 59, kld
2720 Copenhagen
Denmark
Tel: +45 72 17 01 38
Mail: service@dline.com
chevron-left rechnung-logo AlertBrowse fileDownload fileFileImagePdfPdfWordTextExcelPowerpointArchiveCsvAudioVideoSpinnerCalendarSort NoneSort ASCSort DESCReturn arrowVisibleVisibleHelmetSkrewWorker