Hermat Winkelschließblech D-SB/103.IW,DL,25x250x30 rd,limba

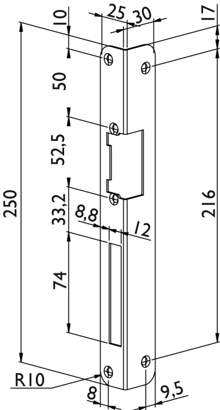
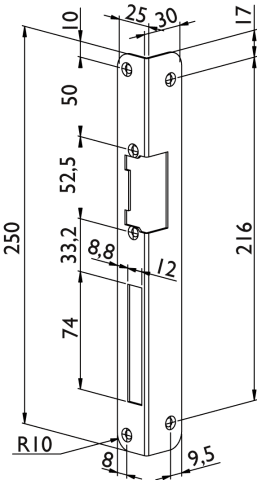
Winkelschließblech lang, abgerundet Nr. 103, für Türöffner Serie ND/AD/45-ND/45-AD, 250 x 25 x 30 mm, DIN links, Farbe: LI (Limba)

mehr erfahren
Meesenburg Artikelnummer: 0009186801
Meesenburg Artikelbezeichnung: WINKELSCHLIEßBL LANG ABGERUNDET NR.103 D-SB 103.IW.L-LI (5987)
Hersteller Artikelnr.: 5987
EAN: 4030755059875
Verkaufseinheit
x
Anzahl:
=
Stück
Online Verfügbarkeit
Standort Verfügbarkeit
Verfügbarkeitsabfrage und Standortinformationen. Click & Collect ist aktuell noch nicht verfügbar.
Preise nur für Meesenburg Kunden
Produkteigenschaften
Produkteigenschaften

Beschreibung

Winkelschließblech lang, abgerundet Nr. 103, für Türöffner Serie ND/AD/45-ND/45-AD, 250 x 25 x 30 mm, DIN links, Farbe: LI (Limba)
Produkteigenschaften
Richtung
links
Form (geometrisch)
rund
Material

Stahl

Marke
HERMAT®

Kontaktinformation des Herstellers

HERMAT® Metallwaren B. Porst GmbH
Frohnbergstraße 23
92256 Hahnbach
+49 9664–9135‑0
+49 9664–9135-50
info@hermat.de
chevron-left rechnung-logo AlertBrowse fileDownload fileFileImagePdfPdfWordTextExcelPowerpointArchiveCsvAudioVideoSpinnerCalendarSort NoneSort ASCSort DESCReturn arrowVisibleVisibleHelmetSkrewWorker