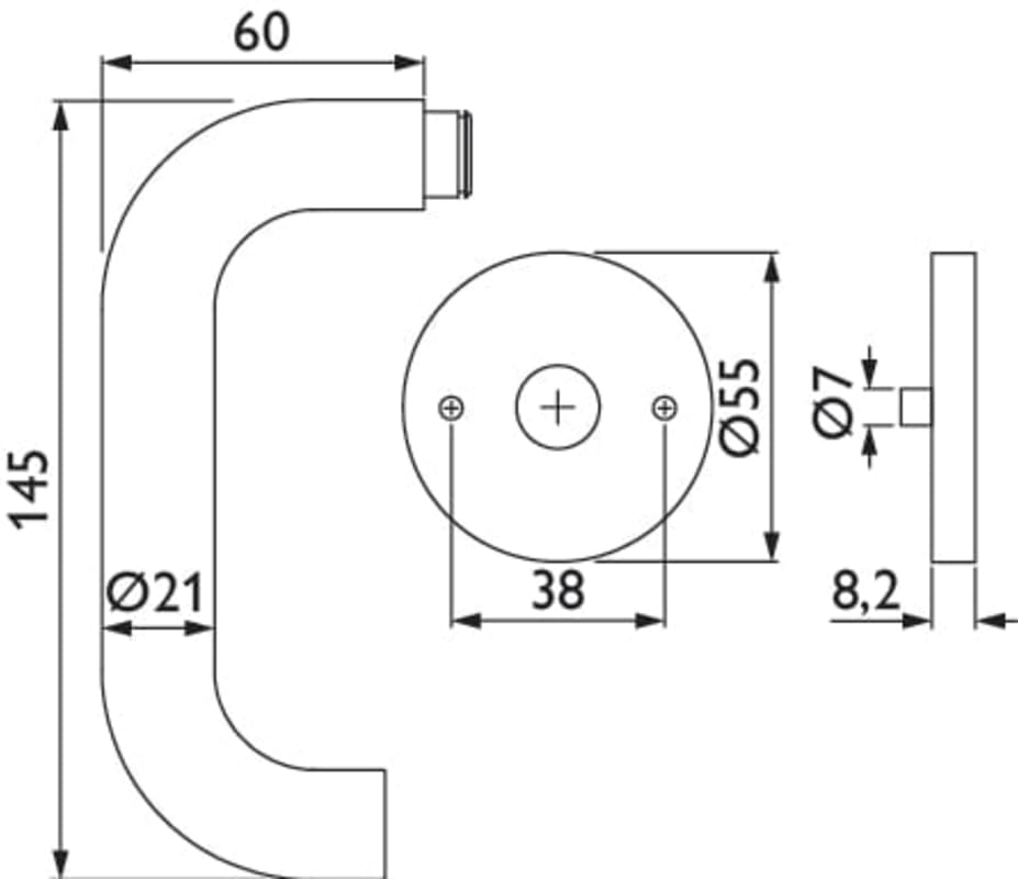
HT-Drückerlochteil 1801 / 21 mm Ø BASIC 01, festdrehbar auf Rosette 2073 M, beidseitig verwendbar / 10 mm Vierkant, mit Rückholfeder, Oberfl. 60 (Edelstahl matt)
mehr erfahren
Edelstahl
silber