+ 200.000 Produkte
starke Eigenmarken
fachliche Beratung
für Profis
+49 (0) 461 5808-2000
Sortiment
Aktionen %
Marken & Kataloge
Service
Topseller
Standorte
Karriere
Nachhaltigkeit
Anmelden
Warenkorb
Türtechnik & Tortechnik
Automatische Schiebetürbeschläge
Tür & Tor Beleuchtung
Türschwelle & Torschwelle
Tür Briefkästen & Klingeln
Drehtürantriebe & Zubehör
Elektrischer Türöffner
Fluchttürsysteme und Rettungswegtechnik
Profilzylinder & Schließzylinder
Schlosstechnik
Sichtbeschläge für Türen
Türbänder
Türdichtung
Türschließer
Unterbauprofile & Rahmenverbreiterung für Türen
Bauelemente aus Holz für Tür- und Torherstellung
Bauelemente aus Stahl für Türen und Tore
Produktionszubehör
Bohrer, Bits
Hohlkammerverschluss
Klebebänder
Klebeband für Türfüllungen
Kleber
Leim
Industriereiniger
Schrauben
Schweißeckverbinder
Technische Sprays & Pflegemittel
Verglasung
Vorlegeband
Fenster
Fenster Absturzsicherung
Fensterbeschläge
Bodenschwellen für Fenster
Fensterautomation
Fensterdichtung
Fenstergriffe
Fensterlüfter & Lüftungslösungen
Oberlichtsysteme
Fensterzusatzprofil
Regenschutzschienen & Zubehör
Unterbauprofile
Werkzeug & Arbeitsmittel
Arbeitsplatzausstattung
Arbeitsschutz & Berufsbekleidung
Werkzeuge und Ausstattungen für Außenanlagen
Befestigungstechnik & Verbindungstechnik
Büroausstattung
Elektrowerkzeuge
Handwerkzeuge
Lagerausstattung & Logistiksysteme
Montagetechnik ,Befestigungstechnik und Materialbearbeitung
Schleifmittel & Oberflächenbearbeitung
Schweißtechnik und Löttechnik: Geräte & Zubehör
Steigtechnik:Arbeitsplattformen, Leitern & Höhenzugang
Möbel
Ausstattungen für Bäder & Hauswirtschaftsräume
Auszugsführungen
Büromöbeltechnik: Schließsysteme & Schreibtischcontainer
Büromöbeltechnik: Auszüge, Schließsysteme & Zubehör
Büroausstattung: Schallschutzelemente & Schallschutzelemente
Elektronische Schließsysteme
Klappenbeschläge
Küchenschrankaustattung: Auszüge , Beschläge & Abfallsysteme
LED-Lichttechnik für Möbel
Mechanische Möbelschließsysteme
Profile & Zubehör für Regale, Vitrinen und Tresen aus Aluminium
Möbelscharniere & Möbelbänder
Möbelunterbausysteme
Regalsysteme für Raumausstattung
Schiebe- & Falttürsysteme
Schrankinnenausstattung
Schubkastensysteme
Spülen, Becken & Armaturen
Kabelmanagement & Stromlösungen für Möbeltechnik
Verarbeitungstechnik :Bohr- und Montagesysteme
Möbel Verbindungstechnik
Möbel Zierbeschläge
Zuhaltetechnik
Oberfläche
Beschichtung Außen 1 K Lacke
Beschichtung Außen 2 K Lacke
Beschichtung Innen 1 K Lacke
Beschichtung Innen 2 K Lacke
Holzbeizen
Lasuren
Pflegeöle & Wachse für Holzoberflächen
Parkettsysteme & Fußbodensysteme
Speziallacke
Reinigungs- & Verdünnungsmittel für Oberflächentechnik
Zusatz-, Vorbehandlungs- & Reparaturprodukte
Sicherheit
Alarmtechnik
Fensterzubehör für Sicherheit & Schutz
Türsicherheit & Sicherheitsbeschläge
Smarthome-Sicherheitslösungen für Fenster & Türen
sonstige Sicherheitssysteme & Zubehör
Tresor & Schlüsselschränke
Videotechnik für Sicherheitslösungen
Schließanlagen - Intelligente Lösungen für Ihre Sicherheit
Montage
Folien, Bänder & Dichtlösungen
Befestigung für Bauelemente
Dämmprodukte für Fenster & Wand
Fensterbänke
Montagekleber: PU, MS-Polymer & Epoxid
Reinigungsprodukte für Montage & Bauelemente
Bau- & Montagebefestigungen
Montagezubehör & Bearbeitungsgeräte
Dachbau & Holzbau Zubehör
Erneuerbare Energien
Photovoltaik Solarmodule & Zubehör
Wärmepumpen & Zubehör für Erneuerbare Energien
Barcode scannen
Bild hochladen
Scannen beenden
Neuer Scan / Upload
Startseite
Türtechnik & Tortechnik
Sichtbeschläge für Türen
Zurück zu Türtechnik & Tortechnik
Sichtbeschläge für Türen
Innentürbeschläge
Außentürbeschläge
Sonstige
Türpuffer
Türfeststeller
Gitter
Liste
Filter & Sortierung
Gitter
Liste
Kategorien
Zurück zu Türtechnik & Tortechnik
Sichtbeschläge für Türen
Innentürbeschläge
29551
Außentürbeschläge
6570
Sonstige
4018
Türpuffer
239
Türfeststeller
32
Filter
Marke
A.W. Schumacher
1
A. Wendt
2
ABUS
9
Almebro
123
aptec
954
Artitec Wallebroek
2
Astex
30
athmer Dichtungen
6
athmer Fingerschutz
3
Basch
18
behle
691
Bever & Klophaus
3
BISSCHOP
4
BKS
3149
blaugelb
307
BMB
1
BMH
7
BURG-WÄCHTER
19
CONFURN
72
delwometall
4
DENI
28
Dictator
4
Dieckmann
2661
dline
1867
DORMA-Glas
21
dormakaba
4
DRUMM
6
ECO Schulte
3
effeff
668
Einkaufsbüro Deutscher Eisenhändler
1
ENZO
26
epro Hardware
18
Eurolaton
1
fischer
5
FKS
128
Flux Design Products
3
FRIDAVO
3
FSB
8826
FUHR
10
G-U
118
GAH
16
Gebhardt-Stahl
1
GEZE
4
Giesse
162
Griffwelt
136
Grundmeier
2
Hafi Beschläge
2
Hanse-Handel
39
Hans Scheitter
71
Hawa
27
HELM
131
HERMAT®
5550
Hermeta
6
HEWI
2841
HISKA
9
HOPPE
8629
HSI
14
Hörmann
6
IKON
11
Karcher Design
180
KFV
2
Kurt Spitzer
76
KWS
357
Locinox
15
MACO
66
MACO HAUTAU
1
MECHATRONIK
2
Medos
20
Meko Metallkunst Ottmann
14
Metalglas Bonomi Srl.
27
Mevesto
4
MTEC
1
Navkom
1
NEMEF
1
neutral
40
Normbau
42
nussbag
3
OGRO
1308
Planet
20
POLLMANN & SOHN
2
Richard Wrede e.K.
4
RODENBERG Türsysteme
2
Roto
29
Roto Service
1
SCHÜCO International
1
SIEGENIA-AUBI
2
SIMONSWERK
5
Siro
10
SOMMERER
1
STAC
31
STROXX
59
Swiss Sector
1
TAIRUN
7
Valli & Valli
7
VIELER International
2
Vinköl Production AB
1
Vormann
6
WALA
5
Welter
5
Werding
34
Wilh. Schlechtendahl & Soehne
5
Wilhelm Brand
48
Wilhelm May
34
WILKA
9
Winkhaus
1
woelm
1
XLOCK
3
Zeller Beschläge
3
Produkttyp
Abdeckkappe
8
Abdeckplatte
2
Abdeckring
2
Abdeckrosette
14
Abdeckscheibe
1
Abdeckung
1
Abdeckungslangschild
3
Abgesetzter Vollstift
1
Abstandshalter
5
Abstandsprofil
1
Adapter
2
Aluminiumgeländer
3
Anschlagpuffer
2
Anschlussteil
2
Antipanikstift
101
Aufhängebügel
1
Aufhängung
1
Aufkleber
1
Aufschraubflansch
8
Ausgleichshülse
8
Außenschild
34
Bad-Drückergarnitur
71
Bad-Rosette
10
Bad/WC-Rosette
1
Badgarnitur
66
Badrosettengarnitur
5
Balkontürgriff
5
Befestigung
609
Befestigungs-Set
571
Befestigungsbolzen
7
Befestigungseinlage
2
Befestigungsmaterial
3
Befestigungssatz
1
Beschlag
2
Blende
15
Bodenbuchse
1
Bodenführung
16
Bodenschieber
2
Bodenschwelle
4
Bodentürpuffer
46
Bodentürstopper
5
Bohr/Fräslehre
1
Bohrlehre
26
Bohrschablone
9
Bolzen
2
Buchse
9
Buchstabe
4
Bullauge
32
Bügelgriff
2
Deckenbefestigung
3
Deckrosette
1
Dichtung
7
Distanzhülse
1
Distanzplatte
3
Distanzscheibe
2
Doppeltorüberwurf
1
Drehhebelgarnitur
91
Drehknopf
2
Druckstange
83
Drücker
806
Drücker-Lochteil
257
Drückerführung
2
Drückerganitur
6
Drückergarnitur
13197
Drückerlochteil
228
Drückerrosette
100
Drückerstift
179
Drückerzubehör
15
Dücker
1
Edelstahl Stossgriff
15
Einhängeverriegelung
1
Einlegelehre
1
Einsteckschloss
13
Einzugsdämpfer
7
Endkappe
12
Endstück
1
Endstütze
9
Ergänzungsset
6
Ersatzpuffer
1
Falle-Glastürschloss
2
Falzgriff
13
Fenstergriff
112
Fenstergriffrosette
1
Feststelleinheit
1
Feststeller
1
Feuerschutz-Drückergarnitur
191
Feuerschutzwechselgarnitur
4
FH-Wechselgarnitur
3
Fingerschutz
17
Flachknopf
3
Fräser
2
Fräslehre
1
FS-Drücker
12
FS-Drückergarnitur
5
FS-Wechselgarnitur
35
Führung
3
Führungsbolzen
1
Führungsgleiter
1
Führungsring
6
Führungsrollen
18
Führungsschiene
9
Führungsstück
1
Führungszapfen
2
Gartentorfalle
1
Gehäuse
2
Geländermittelhalter
9
Gewindeschraube
42
Glasfalzgriff
1
Glastrennwandprofil
8
Glastür-Schlossgegenkasten
8
Glastür-Schlosskasten
35
Glastürbeschlag
52
Glastürbodendichtung
1
Glastürschloss
1
Glastürschlossgegenkasten
1
Glastürschlosskasten
38
Glastürschloß
2
Glastürschnäpper
1
Glastürstoßgriffpaar
1
Gleitstopfen
1
Griffleistenpaar
3
Griffmuschel
5
Griffstange
13
Grundkarton
12
Gummipuffer
4
Haken
8
Halb-Garnitur
30
Halbgarnitur
275
Halsverlängerung
2
Haltewinkel
1
Handgriff
3
Handhebel
7
Handlauf
35
Hausnummer
10
Haustürgriff
4
HCS
30
Hebelverschluss
1
Hebeschiebetürgriff
9
Hebetürgriff
20
Hinweisschild
9
Hinweiszeichen
15
Hohlkammer-Griff
2
Holzgewindeschraube
1
HT-Halbgarnitur
2
HTR.-Innengrt
1
Hülse
13
Innendrücker
12
Innenschild
1
Innentürbeschlag
1
Kantriegel
1
Kappenheber
1
Klemmbeschlag
2
Klemmprofil
2
Klinkgriff
1
Knaufgriff
36
Knopf
557
Knopfdrücker
51
Knopfgarnitur
1
Knopflochteil
3
Knopfschild
154
Knopfstiftteil
11
Kugelknopf
4
Kugelkopf
3
Kurzschild
233
Kurzschildpaar
1
Langschild
494
Langschildgarnitur
2
Laufschiene
29
Laufwagen
3
Lochteil
28
Madenschraube
8
Magnetfeststeller
2
Maschinen-Gewindebohrer
1
Maschinenschraube
7
Mittelstütze
1
Montagehilfe
4
Montagemodul
3
Montageset
36
Montagewerkzeug
2
Montagewinkel
3
Montagezubehör
4
Muffe
18
Muschelgriff
303
Möbelgriff
8
Olive
4
Panik-Drückerstift
174
Pflegemittel
1
Profiltür-Drückergarnitur
64
Profiltürgarnitur
27
Profilzylinder
1
Profilzylinderring
2
PSK-Griff
2
PT-Knopf
8
PZ Ring
1
Rahmen-dr-grt
2
Rahmen- Halbgarnitur
1
Rahmentür-Drücker
2
Rahmentür-Drückerlochteil
2
Rahmentür-Knopf
4
Rahmentürbeschlag
13
Rahmentürdrück.grt
2
Rahmentür Drücker
2
Rahmentürdrücker
14
Rahmentürdrückergarnitur
16
Rahmentürwechselgarnitur
40
Rammschutz
1
Rasterolive
2
Rastplatte
4
Reduzierbuchse
2
Reduzierhülse
5
Riegel-Rosette
6
Riegelolive
26
Rohr
51
Rollapparat
35
Rollen-Wechselstift
10
Rollenwechselstift
44
Rollladengarnitur
11
Rosette
1183
Rosettengarnitur
154
Rosettenwechsel-Garnitur
1
Produktlinie
#
4
05 0115
1
05 0189
1
05.0116
1
06 0662
1
06 1016
1
06 1146
1
07.0846
1
11/1040/0000/01
1
11/1674/0000/27
1
14L
15
14U
6
16C
3
16L
33
16LF
12
16M
8
16U
17
16UF
7
17.1757
1
17/1385/0000/01
1
19B
8
19C
7
19FF
13
19FFG
15
19FFU
4
19L
30
19LF
22
19M
5
19O
4
19U
24
19U2
1
19UF
14
22L
4
0025 E
1
0056
1
100
5
100.10.230.M1
1
103 H
1
103H/10
2
104Z/8
4
110.50.230.E
1
111
47
111/1042/0003/01
1
111R01.230
1
122
7
123
4
125 H
1
125/237/337
1
125H/10
2
125Z/8
3
125Z/9
1
125Z/10
1
125Z/11
1
133
4
137Z
2
137Z/8
1
138
3
162
44
170.MC.RS
1
180.30.230.E
1
195.50.230.E
1
206Z
1
220Z
1
230
3
0324
1
0501E(768)
2
0813/6103
1
1022
1
1034(758)
3
1035/1036
2
1048
4
1052/5020/00
1
1052/5020/01
1
1076-1731
1
1103
2
1103/0235
2
1103/0254
4
1103/0813
2
1103/2133
1
1108/0813
2
1108/2033
4
1108/2133
1
1116
1
1130/2033
6
1130/2133
1
1132/2133
1
1133/2133
1
1200
1
1200/0035
4
1200/0135
5
1200/0235
5
1200/1035
4
1200/2033
3
1200/2034
4
1200/2035
5
1200/2133
3
1200/2134
3
1200/3035
1
1200/3036
1
1200/3037
1
1200/3038
1
1200/4026
2
1200/9026
1
1200/9035
5
1201/0535
4
1201/1535
3
1201/2535
2
1201/7535
3
1201/9535
3
1207/0535
4
1207/2536
1
1207/2537
1
1207/2538
1
1207/2539
1
1207/9535
4
1255
1
1300/0035
5
1300/0135
5
1300/0235
5
1300/164
1
1300/1035
4
1300/1635
3
1300/2033
1
1300/2034
4
1300/2035
5
1300/2134
3
1300/2635
4
1300/3035
4
1300/9035
5
1317
3
1322
1
1330
1
1331
1
1332
1
1339
1
1340
1
1349
2
1359
1
1360
1
1362/0010
1
1362/0020
1
1371
2
1380
1
1383
1
1385/1020/01
1
1388
1
1391
1
1392
1
1393
1
1394
1
1395
1
1396
1
1397
1
1400/235
1
1682 L SMART XS-ROSETTE K 2401.K.BAD-74
1
1700/42KV/42KVS
1
1800/2033/12
1
1800/2133
1
1800/2133/12
1
1802
2
1802 BASIC 02 FS/2089.KS/EN2.PZ-74
1
1802 BASIC 02 FS/2089.KSH/3128/EN2.PZW-74
1
1802 BASIC 02 FS/2089.KSH/EN2.PZ-74
1
1802 BASIC 02 FS/2089.S/3128/EN2.PZW-74
1
1802 BASIC 02 FS/2089.S/EN2.PZ-74
1
1802 BASIC 02 FS/2089.SH/3128/EN2.PZW-74
1
1802 BASIC 02 FS/2089.SH/EN2.PZ-74
1
1806 BASIC 06 FS/2089.KS/3128/EN2.PZW-74
1
1806 BASIC 06 FS/2089.KS/EN2.PZ-74
1
1806 BASIC 06 FS/2089.KSH/3128/EN2.PZW-74
1
1806 BASIC 06 FS/2089.KSH/EN2.PZ-74
1
1806 BASIC 06 FS/2089.S/3128/EN2.PZW-74
1
1806 BASIC 06 FS/2089.S/EN2.PZ-74
1
1806 BASIC 06 FS/2089.SH/3128/EN2.PZW-74
1
1806 BASIC 06 FS/2089.SH/EN2.PZ-74
1
1808 BASIC 08 FS/2089.KS/3128/EN2.PZW-74
1
1808 BASIC 08 FS/2089.KS/EN2.PZ-74
1
2000/0035
4
2000/0135
3
2000/0235
5
2000/030
1
2000/2033
4
2000/2034
4
2000/9035
5
2001/0535
4
2001/9535
3
2007/0535
4
2007/2535
2
2007/9535
5
2011 S 2011 S PZ-74
1
2030/1610
2
2030/1620
2
2033/4010
1
2033/4020
1
2033/5010
2
2033/5020
2
2034
1
2034/4010
3
2034/4020
3
2038 KS +INNENROS 2336 PZ-74
1
2073 M PZ 2073 +PZ-74
1
2073 S 11MM HOCH ER/11MM/2336.PZ-60
1
2103/5300/00
1
2108/5200/00
1
2133/4010
3
2133/4020
2
2134/4010
2
2134/4020
1
2200/082-1
1
2200/082-2
1
2200/82-1
2
2200/2033
4
2201
8
2308
1
2311/9203
2
2312/9203
2
2314
1
2320/9000
2
2320/9203
2
11009 ES
1
Basisfarbe
beige
3
blau
45
braun
2631
farblos
6
gelb
3
gold
133
grau
322
grün
4
messing
298
natur
901
orange
128
rot
10
schwarz
2927
silber
14151
Spezialfarbton
8
weiß
1037
Herstellerfarbe
18 HEWI Senfgelb
3
33 HEWI Rubinrot
4
50 HEWI Stahlblau
26
55 HEWI Aquablau
1
72 HEWI Maigrün
1
74 HEWI Apfelgrün
1
84 HEWI Umbra
1
86 HEWI Sand Neu
2
90 HEWI Tiefschwarz
138
90 HEWI Tiefschwarz verchromt
4
92 HEWI Anthrazitgrau
60
95 HEWI Felsgrau
37
97 HEWI Lichtgrau
11
98 HEWI Signalweiß
8
99 HEWI Reinweiß
116
9005 Schwarz
12
32030 bleu ceruleen
2
32033 ceruleen clair
1
32041 vert anglais clair
1
32050 vert fonce
2
32080 orange
1
Alu edelstahlfarben matt F31-1
136
alufarben
4
Aluminium goldfarbig glänzend F271
4
aluminiumsilber
1
aluminiumsilber F7503
1
Aluminium silberfarbig matt F1-2-S
24
Aluminium stahlfarben F9-2
12
anthrazitfarbig satiniert F97-1-R
53
anthrazitgrau
1
anthrazitgrau F7016
1
beige
3
Blank
49
braun
26
bronze
1813
bronzefarben mittel matt F33-1
29
bronzefarbig
5
bronzefarbig F4
441
charcoal
188
chrom
7
chrom F98
1
chromfarben F94-1
4
chromfarben glänzend F249
2
chromfarbig F46-R
1
chrom matt F98-R
5
classic black ähnlich RAL 9005
390
cremeweiß F9001
1
Cyanidisch galvan. verzinkt
4
DB 703 Anthrazit
1
dunkelbraun
47
dunkelbraun F8707
37
dunkelbronze
7
dunkelbronzefarbig B7
2
Edelstahl
9515
edelstahlfarben
162
Edelstahl finish
3
Edelstahl geschliffen
1
Edelstahl matt/Alu edelstahlfarben matt F69/F31-1
2
Edelstahl matt/Edelstahl glänzend F69/F68
1
Edelstahl matt F69
280
Edelstahl matt F69-S SecuSan
102
edelstahloptik
18
Edelstahl poliert
4
eiche
2
electric blue
39
F78-1-R messingfarbig hell satiniert
76
ferGUard*gelb
1
ferGUard*silber
9
gelb
2
gold
1
goldfarbig
2
grau
42
grau/dunkelgrau
7
grau/silberfarbig
2
hellbraun
1
hellbronze
12
Holzdekor Wenge/Alu matt natur F8901/F1-2
1
kupfer(farbig)
121
kupferfarbig satiniert F84-1-R
77
manhattan
8
matt verchromt/Buchenholz F98/H07
2
Messing
197
messing brüniert F73
15
messingfarbig
31
messingfarbig F3
4
Messingfarbig poliert/satiniert F75-R
5
messingfarbig poliert/satiniert F77R/F52R
1
messingfarbig poliert F77-R
38
messingfarbig satiniert/poliert F74-R
1
Messing matt/Aluminium stahlfarben F72/F9
3
messing poliert F71
81
natur
365
naturfarbig
622
neusilberfarbig
2
neusilberfarbig F2
97
neutral
6
nickel
1
Niro (teilweise)
41
Oberfl. 60 (Edelstahl matt)
154
Oberfl. 74 (Classic Black, ähnl. RAL 9005)
154
perlweiß
4
PVD goldbeschichtet
2
RAL 7016 anthrazitgrau
6
RAL 7021 schwarzgrau
1
RAL 7039 quarzgrau
1
RAL 8022 schwarzbraun
1
RAL 8077 braun
48
RAL 9005 tiefschwarz
253
RAL 9010 reinweiß
1
RAL 9016 verkehrsweiß
75
rapsgelb
1
reingrau
1
rot
2
rubinrot F3003
1
saphirblau F5003
1
satiniert F42-R
32
satiniert verchromt F41
15
satiniert verchromt F41-R
116
satiniert vernickelt/Edelstahl matt F42/F69
5
schwarz
992
schwarz F9714M
732
schwarz satiniert - Resista® F96-1-R
8
schwarz satiniert F96-1-R
54
silber,weiß (ähnl. RAL 9016)
1
silber antiqua F56
3
silberfarben/Edelstahl F1/F69
11
silberfarbig
223
silberfarbig eloxiert
6
silberfarbig EV1
808
silberfarbig F1
1442
silberfarbig F1-2
87
silberfarbig F1/EV1
4
silbergrau
6
Smoke Black
127
Stahlblau
1
stahlfarbig
5
stahlfarbig F9
483
tiefschwarz
66
tiefschwarz F9005
36
titanfarbig
1
transparent/farblos
2
umbragrau
12
verchromt
1
verchromt/Aluminium stahlfarben F49/F9
9
verchromt/Alu Stahl matt F49/F9-2
8
verchromt/Edelstahl matt F49/F69
6
verchromt/matt verchromt Resista F49-R/F98-R
5
verchromt/satiniert verchromt F45
1
verchromt/satiniert verchromt F45-R
10
verchromt F49
7
verchromt F49-R
56
verkehrsweiß F9016
487
weiß
377
weißlack ähnlich RAL 9016
25
Weiß ähnlich RAL 9016
1
zinkgrau
1
Entfernung
-
3
72 mm
2515
74 mm
17
78 mm
77
85 mm
2
92 mm
3228
94 mm
20
ohne Entfernung
3
Länge
12 mm
3
16 mm
1
20 mm
1
25 mm
3
26 mm
2
30 mm
6
34 mm
1
35 mm
5
36 mm
2
37 mm
1
38 mm
4
40 mm
3
42 mm
3
43 mm
1
44 mm
3
45 mm
3
46 mm
3
48 mm
1
50 mm
9
52 mm
1
54 mm
3
55 mm
13
60 mm
15
63 mm
1
65 mm
7
67 mm
1
68 mm
1
70 mm
524
70.5 mm
1
72 mm
9
74 mm
3
75 mm
9
76 mm
2
77 mm
1
78 mm
1
80 mm
18
81 mm
12
82 mm
1
85 mm
9
90 mm
41
92 mm
5
95 mm
10
96 mm
1
100 mm
40
105 mm
13
106 mm
1
110 mm
13
112 mm
3
115 mm
16
116 mm
22
120 mm
20
125 mm
11
127 mm
1
128 mm
1
129 mm
3
130 mm
13
133 mm
1
134 mm
1
135 mm
13
136 mm
12
137.5 mm
2
140 mm
11
142 mm
2
145 mm
12
150 mm
9
155 mm
7
160 mm
12
165 mm
7
167 mm
251
169 mm
1
170 mm
4
175 mm
1
178 mm
1
180 mm
34
185 mm
1
188 mm
1
190 mm
4
191.5 mm
27
193 mm
1
200 mm
12
202 mm
1
202.5 mm
5
205 mm
1
207 mm
1
207.7 mm
10
210 mm
5
212 mm
5
220 mm
2
225 mm
2
227 mm
4
230 mm
1
235 mm
1
245 mm
4
249 mm
3
250 mm
34
251 mm
12
252 mm
894
256 mm
2
260 mm
1
292 mm
4
295 mm
1
300 mm
11
302 mm
1
308 mm
1
310 mm
2
315 mm
1
330 mm
11
332 mm
3
335 mm
1
350 mm
17
355 mm
1
370 mm
1
382 mm
3
400 mm
33
420 mm
1
423 mm
1
430 mm
1
450 mm
2
500 mm
25
500 μm
1
600 mm
33
620 mm
1
650 mm
1
700 mm
2
710 mm
2
720 mm
2
785 mm
1
800 mm
34
800 μm
1
811 mm
1
820 mm
1
825 mm
1
835 mm
2
840 mm
9
930 mm
1
940 mm
2
960 mm
4
1000 mm
58
1020 mm
1
1090 mm
1
1150 mm
25
1170 mm
7
1200 mm
53
1220 mm
1
1300 mm
7
1385 mm
1
1400 mm
46
1420 mm
1
1440 mm
1
1450 mm
3
1490 mm
6
1500 mm
8
1600 mm
57
1620 mm
1
1755 mm
8
1800 mm
19
1820 mm
1
1980 mm
8
2000 mm
18
2020 mm
1
2100 mm
1
2400 mm
2
2500 mm
1
Richtung
keine Angabe
60
links
1973
links/rechts
9847
links/rechts verwendbar
8
rechts
2223
Lochung
außen PZ
1
Bad/WC
2345
Bad/WC mit Schlitzkopf
6
Blind
156
Blind/Profilzylinder
8
Buntbart
1676
mit Lochung
1
ohne Lochung
143
ohne Rosette/Schild
173
Ovalbart
296
Ovalzylinder
30
Profilzylinder
15034
Rundzylinder
4
Schweizer Rundzylinder
251
ungelocht
43
unverschließbar
2
verschließbar
2
Material
Aluminium
6364
Aluminium oder Edelstahl
2
Bronze
17
Edelstahl
8777
Edelstahl A2
1
Edelstahl rostfrei
2551
Edelstahl V2a
1
Eisen
349
Gummi
4
Holz
10
Holz-Edelstahl
2
Kunststoff
86
Materialkombination
2
Messing
859
Metall
43
Nylon
26
Polyamid
486
Schaumstoff
1
Schmiedeeisen
32
Silikon
1
Sinterstahl
2
Stahl
729
Temperguss
2
Zinkdruckguss
64
Zinklegierung
1
Befestigungsart
anschweißbar
2
aufschraubbar/zum Aufschrauben
63
Bodenbefestigung
2
durchgehende Verschraubung
1
einseitig
23
geklipst
6
innen sichtbar verschraubt
15
paarweise
7
Schienenmontage
11
Schnellstiftverbindung
1
selbstklebend
29
sichtbar verschraubt
428
verdeckte Befestigung
13
verdeckt verschraubt
4510
Verschraubung
1
Wandbefestigung
1
zum Anschrauben
259
zum Aufklipsen
17
zum Aufschieben
1
zum Aufstecken
44
zum Clipsen
16
zum Einklemmen
11
zum Einlassen
30
zum Einmauern
5
zum Einschlagen
1
zum Einstecken
18
zum Kleben / Ankleben
30
zum Klemmen
6
zum Schrauben
5
zum Stecken
2
Türstärke min.
8 mm
3
12 mm
4
14 mm
1
16 mm
1
18.1 mm
2
27 mm
13
28.1 mm
9
30 mm
18
32 mm
2
33 mm
186
34 mm
13
35 mm
412
36 mm
20
37 mm
1562
38 mm
632
38.1 mm
66
39 mm
5440
40 mm
144
41 mm
2
42 mm
334
43 mm
13
44 mm
11
45 mm
425
46 mm
3
47 mm
40
48 mm
14
48.1 mm
13
49 mm
96
50 mm
21
52 mm
24
53 mm
19
54 mm
25
55 mm
29
57 mm
137
58 mm
32
58.1 mm
13
59 mm
127
60 mm
9
62 mm
56
63 mm
8
64 mm
2
65 mm
416
66 mm
23
67 mm
506
68 mm
5
68.1 mm
9
69 mm
54
70 mm
12
71 mm
3
72 mm
109
73 mm
24
74 mm
6
75 mm
20
76 mm
1
77 mm
86
78 mm
12
78.1 mm
8
79 mm
2
80 mm
18
82 mm
43
83 mm
10
85 mm
32
86 mm
1
87 mm
32
88 mm
9
88.1 mm
8
91 mm
1
93 mm
4
95 mm
20
96 mm
1
97 mm
2
98 mm
4
98.1 mm
7
99 mm
6
Türstärke max.
12 mm
1
17 mm
6
19 mm
1
25 mm
1
28 mm
2
32 mm
12
37 mm
1
38 mm
10
39 mm
1
40 mm
1
41 mm
6
42 mm
1035
43 mm
31
44 mm
153
45 mm
562
46 mm
2
47 mm
638
48 mm
3138
49 mm
12
50 mm
118
52 mm
351
53 mm
2
54 mm
403
55 mm
18
56 mm
2
57 mm
44
58 mm
2727
59 mm
152
60 mm
10
61 mm
1
62 mm
113
63 mm
20
64 mm
6
65 mm
67
66 mm
14
67 mm
80
68 mm
124
69 mm
101
70 mm
16
71 mm
10
72 mm
241
73 mm
1
74 mm
23
75 mm
37
76 mm
25
77 mm
333
78 mm
67
79 mm
2
80 mm
360
82 mm
133
83 mm
8
85 mm
42
87 mm
62
88 mm
53
89 mm
2
90 mm
38
92 mm
43
94 mm
3
95 mm
3
96 mm
3
97 mm
6
98 mm
12
99 mm
1
100 mm
19
102 mm
4
103 mm
1
105 mm
1
107 mm
3
108 mm
7
111 mm
1
112 mm
1
114 mm
2
118 mm
5
Türart
Abschlusstür
264
Außentür
639
Fluchtwegtür
335
Glastür
1
Innentür
443
Innentüren
9
Objekttür
2
Rahmentür
1144
Rohrrahmentür
12
Schiebetür
56
Vollblatt
5
Drückerlänge
70 mm
1
115 mm
6
118 mm
2
119 mm
2
120 mm
47
121 mm
2
122 mm
23
123 mm
26
124 mm
48
125 mm
67
126 mm
4
127 mm
15
128 mm
25
129 mm
31
130 mm
39
130.5 mm
1
131 mm
94
132 mm
150
133 mm
26
134 mm
6
135 mm
366
136 mm
4
137 mm
75
138 mm
159
139 mm
29
140 mm
100
141 mm
91
142 mm
29
142.5 mm
11
143 mm
10
144 mm
63
145 mm
908
146 mm
72
147 mm
45
149 mm
6
150 mm
99
151 mm
370
152 mm
111
154 mm
4
155 mm
126
156 mm
106
157 mm
18
158 mm
33
160 mm
2
161 mm
7
162 mm
64
163 mm
87
164 mm
1
165 mm
23
166 mm
33
167 mm
28
168 mm
26
169 mm
31
170 mm
16
173 mm
162
175 mm
16
178 mm
15
183 mm
13
Form (geometrisch)
abgerundet
13
Design
28
eckig
211
flach
1
gebogen
182
Gehrung
19
gekröpft
836
gerade
110
geschwungen
8
kantig
14
L-Form
79
oval
918
quadratisch
2
rechteckig
5
rund
291
U-Form
282
Vierkant
6 mm
13
7 mm
103
8 mm
4799
8,5 mm
4
8/10 mm
2
9 mm
2925
10 mm
316
Oberfläche
-
398
beschichtet
188
blank
33
Edelstahl
2
eloxiert
785
F1 Farbig
1
fein matt
296
fein matt gebürstet
61
feinstruktur
28
gebeizt
11
gebürstet
4
geschliffen
1
gestrahlt
7
geölt
1
glatt
5
glänzend/glanz
44
Gummi
1
hell patiniert
1
hochglänzend
31
Kataphorese schwarz
1
lackiert
337
matt
5810
matt/poliert
5
matt gebürstet
3
matt geschliffen
16
mattiert
1
patiniert
7
poliert
469
pulverbeschichtet
33
PVD
12
RAL 9005 Schwarz Matt
1
RAL 9016 Verkehrsweiß Matt
1
Rau
1
Reingrau Matt/ncs S 8000 N
1
satiniert
1220
Silber lackiert
3
spiegelpoliert
4
Strukturiert
2
stumpfmatt
1
unbehandelt
3
verchromt
38
vernickelt
27
verzinkt
43
Anwenden
über 10000 Produkte gefunden. Nutzen Sie gerne die Filter!
Sortieren nach:
Nach Relevanz sortieren
Nach Name aufsteigend sortieren
Nach Name absteigend sortieren
Filter & Sortierung
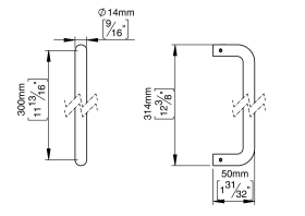
TÜRGRIFF 19UF PAAR 8X8 MASSIV CC38 33-44 (14201202010)
19UF
1 Ausführungen
1 Ausführungen
TÜRGRIFF 19UF PAAR 8X8 OVAL MASSIV CC50 44-52 (14201402020)
19UF
1 Ausführungen
1 Ausführungen
TÜRGRIFF 19UF EINSEITIG 8X8 OVAL MASSIV CC50 (14201402900)
19UF
1 Ausführungen
1 Ausführungen
TÜRGRIFF 19UF PAAR 8X8 ABDECK 30/38 33-44 (14201602010)
19UF
1 Ausführungen
1 Ausführungen
TÜRGRIFF 19UF PAAR 8X8 OVAL ABDECK CC50 33-44 (14201702012)
19UF
1 Ausführungen
1 Ausführungen
TÜRGRIFF 19UF PAAR 8X8 OVAL ABDECK CC50,44-52 (14201702021)
19UF
1 Ausführungen
1 Ausführungen
TÜRGRIFF 19UF EINSEITIG SET OVAL ABDECK CC50 (14201702900)
19UF
1 Ausführungen
1 Ausführungen
FEUERSCHUTZ-TÜRGRIFF 19UF EINSEITIG O. ROSETTE (14203002900)
19UF
1 Ausführungen
1 Ausführungen
FEUERSCHUTZ-TÜRGRIFF 19UF PAAR ABDECK CC38 33-44 (14203602010)
19UF
1 Ausführungen
1 Ausführungen
FEUERSCHUTZ-TÜRGRIFF 19UF EINSEITIG ABDECK CC38 (14203602900)
19UF
1 Ausführungen
1 Ausführungen
FEUERSCHUTZ-TÜRGRIFF 19UF PAAR OVAL ABDECK CC50 33-44 (14203702010)
19UF
1 Ausführungen
1 Ausführungen
FEUERSCHUTZ-TÜRGRIFF 19UF PAAR OVAL ABDECK CC50 (14203702020)
19UF
1 Ausführungen
1 Ausführungen
FEUERSCHUTZ-TÜRGRIFF 19UF EINSEITIG OVAL ABDECK CC50 (14203702900)
19UF
1 Ausführungen
1 Ausführungen
TÜRGRIFF 19LF EINSEITIG 8X8 O. ROSETTE (14211002900)
19LF
1 Ausführungen
1 Ausführungen
Kein Bild vorhanden
TÜRGRIFF 19LF EINSEITIG 8X8 O. ROSETTE PVD KUPFER (142110P2900)
19LF
1 Ausführungen
1 Ausführungen
Kein Bild vorhanden
TÜRGRIFF 19LF EINSEITIG 8X8 O. ROSETTE PVD MESSING (142110P3900)
19LF
1 Ausführungen
1 Ausführungen
Kein Bild vorhanden
GEWINDEBOLZEN M8X30 M. ZYL-KOPF (2-LOCH-SCHRAUBE) (16492001302)
1 Ausführungen
1 Ausführungen
Kein Bild vorhanden
STÜTZROSETTE Ø76X5 Ø19,9X33 F. Ø32 HALTESTANGE (16496301327)
1 Ausführungen
1 Ausführungen
Kein Bild vorhanden
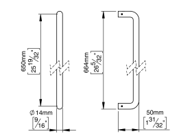
ZIEHGRIFF 25 GERADE 300 BUCHSE POLIERT (16441401306)
1 Ausführungen
1 Ausführungen
Kein Bild vorhanden
ZIEHGRIFF 25 GERADE 601-700 BUCHSE POLIERT (16441401748)
1 Ausführungen
1 Ausführungen
Kein Bild vorhanden
ZIEHGRIFF 25 GERADE 1201-1300 BUCHSE POLISHE (16441401802)
1 Ausführungen
1 Ausführungen
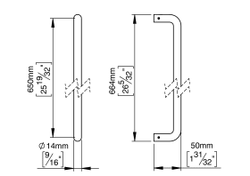
ZIEHGRIFF 19 GEKRÖPFT 300 M8 PVD MESSING (144232P3301)
1 Ausführungen
1 Ausführungen
ZIEHGRIFF 19 GEKRÖPFT 650 M8 PVD MESSING (144232P3654)
1 Ausführungen
1 Ausführungen
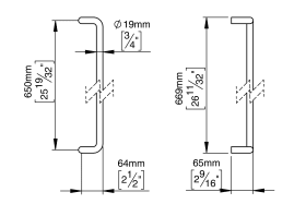
ZIEHGRIFF 19 GEKRÖPFT 125 BUCHSE (14423402122)
1 Ausführungen
1 Ausführungen
1
…
45
46
47
48
49
…
416
chevron-left
Alert
Browse file
Download file
File
Image
Pdf
Pdf
Word
Text
Excel
Powerpoint
Archive
Csv
Audio
Video
Spinner
Calendar
Sort None
Sort ASC
Sort DESC
Return arrow
Visible
Visible
Helmet
Skrew
Worker